[供应]皮鞋的质检报告 耐折耐磨 材质鉴定

皮鞋的质检报告  耐折耐磨 材质鉴定
发 布 地: 江苏省
发布时间: 2019/11/19 16:51:07
有 效 期: 长期有效
报价: 面议
关 键 词: 纺织品质检,食品质检,电子电器质检,皮革质
所属公司: 江苏环谱检测技术服务有限公司
联系地址: 邗江区吴州路198号西安交大科技园
联系电话: 15298458081 手机:15298458081
请说明来自无忧网
联系传真:
发布IP: 222.189.131.146
详细说明:
信息名称:[供应]皮鞋的质检报告 耐折耐磨 材质鉴定
供求手机链接:http://m.cn5135.com/OfferDetail-60042939.html
供求网站链接:http://www.cn5135.com/OfferDetail-60042939.html
江苏环谱检测提供认可的权威皮鞋检测报告,鞋子质检报告。
报告有CNAS 、CMA标志,可以通过天猫、京东、一号店、亚马逊等国内所有电商平台以及实体商超和各大电视购物平台。
检测标准1:
QB/T 1002-2015《皮鞋》
本标准适用于天然皮革、人造材料等做帮面的一般穿用皮革(含鞭)。本标准不适用于安全、防护及特殊功能的鞋类。
GB 28011-2011《鞋类钢勾心》
GB 20400-2006《皮革和毛皮有害物质》 B 类
主要检测项目:
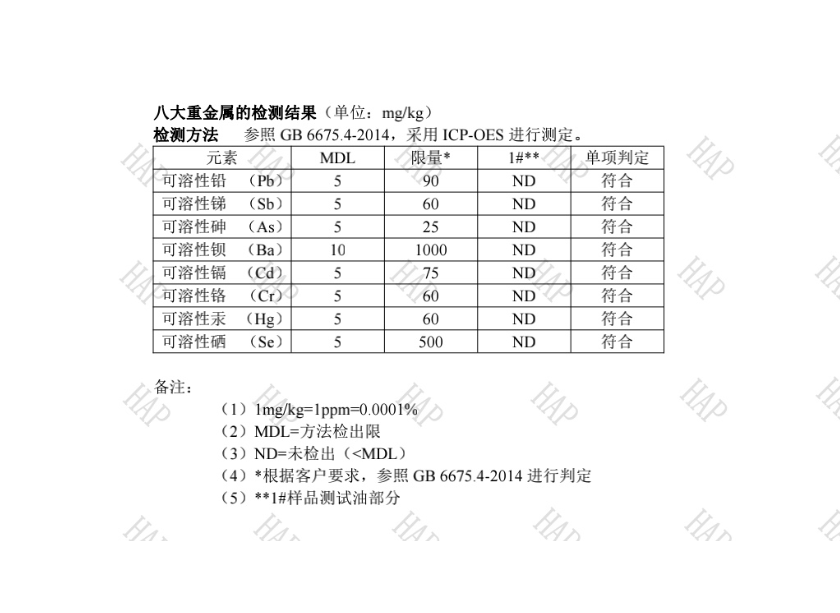
材质鉴定、帮底剥离强度、外底与外中底粘合强度、成鞋耐折性能、外底耐磨性能、鞋跟结合力、鞋帮拉出强度、成型底鞋跟硬度、鞋类钢勾心、甲醛、可分解致癌芳香胺染料。
江苏环谱质检是第三方检测机构,提供纺织品、婴童、玩具、电子电器、可靠性、食品及食品接触材料,汽车材料的质检。
电话:    手机:
QQ:65
公  司: 江苏环谱检测技术服务有限公司
联系人: 李言
电  话: 15298458081 手机:15298458081
传  真:
地  址: 邗江区吴州路198号西安交大科技园
邮  编: 225002

最新供求
国铁商城垃圾袋检测报告

国铁商城垃圾袋检测报告

价格面议

拖把检测报告哪里能做

拖把检测报告哪里能做

价格面议

有机挥发物的检测报告

有机挥发物的检测报告

价格面议

VOC检测  汽车内饰VOC质检报告

VOC检测 汽车内饰VOC质检报告

价格面议

玩具邻苯6P的检测

玩具邻苯6P的检测

价格面议

皮鞋的质检报告  耐折耐磨 材质鉴定

皮鞋的质检报告 耐折耐磨 材质鉴定

价格面议


登录 | 免费注册(网站)
搜索